福州蘑菇裝袋機應用
其他
瀏覽量:41次
蘑菇土裝袋機項目
變頻器系列:YD280T4-11G/15PB
應用設備:裝袋機
調試日期:2025.12.09
調試地點:福建福州
調試人員:范辰浩,胡建
機器的主要功能是將混合、發酵好的蘑菇培養料(蘑菇土)自動、定量地裝入塑料袋中,為后續的滅菌、接種環節做準備。它是一個集輸送、計量、裝填、壓實于一體的自動化設備。
定量裝填是機器的核心功能。圖片中部的橫向圓柱形部件就是裝填機構。其內部有一個螺旋輸送器(絞龍),通過變頻器(YD280T4-11G/15PB)對電機的精確控制,螺旋輸送器旋轉,將物料從料倉底部推送至出料口,通過控制螺旋輸送器的旋轉圈數或時間,可以精確控制每袋的裝填量,確保每袋重量一致。
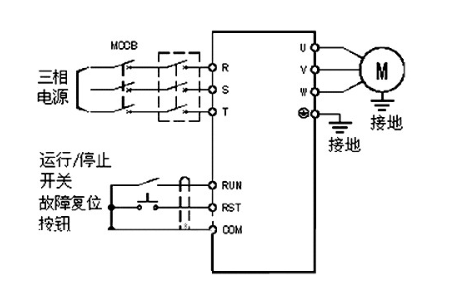
2、電氣接線圖
變頻器和電機之間存在一定距離,因此變頻器和電機都要做好接地的準備。
3、變頻器規格
異步電機額定電流為14.2A,電機轉速1500轉,額定功率7.5KW,根據電機的型號及使用工況(需急加速和急減速),我司選擇了額定電流為25A的YD280T4-11G/15PB。
4、調試步驟
| P0-02 | 1:端子控制 |
| P0-03 | 6:頻率來源-多段速 |
| P0-09 | 0或1,按實際修改 |
| P0-17 | 加速時間(0.30s) |
| P0-18 | 減速時間(0.10s) |
| P0-19 | 2:加減速時間單位為0.01s |
| P4-00 | 1:DI1端子正轉 |
| P4-01 | 2:DI2端子反轉 |
| P4-02 | 12:DI4端子為多段速端子 |
5、現場運行情況
運行穩定(先正轉運行50hz,再反轉運行30hz),急加速和急減速時電機響應快。
通道1為:變頻器輸出電流
通道2為: 變頻器AO(輸出頻率)
通道3為:DI1信號
通道4為:DI2信號


